|
Special: How Tobacco Companies Free-base Nicotine
In the mid-1970s, the R.J. Reynolds Tobacco Company (RJR, makers of Camel and
Winston brands) noticed that their competitor's brands, particularly Marlboro (a Philip Morris
brand), were experiencing much higher sales than their brands. Determined to find out why
their brands were doing so poorly compared to the others, RJR chemically "deconstructed"
Marlboro cigarettes with the aim of finding out just how they were different.
RJR soon discovered that Philip Morris (PM) had made a "deliberate and controlled" chemical
change in the smoke of their cigarettes. PM was altering the smoke pH by adding ammonia to
the tobacco, which made the smoke more alkaline. Why? Because in a more alkaline atmosphere,
more of the nicotine "...occurs in 'free' form, which is volatile, rapidly absorbed by the
smoker, and believed to be instantly perceived as nicotine 'kick'."
Putting more of the drug into a vapor form that is rapidly taken up by the body is known
as "free-basing" a drug. Some of you who are old enough may recall that years ago comedian
Richard Pryor set himself on fire while trying to free base cocaine. This is the same
chemical principle.
This paper, marked "SECRET," discusses RJR's discovery of this sales-enhancing chemical
change, and how they could mimic the freebasing technique that Philip Morris was using.
Now, as the industry calls it, employing "ammonia technology" is state of the art in
cigarette manufacturing. In essence, all cigarette companies now freebase nicotine,
to give the user a faster, harder "kick" after lighting up. The industry calls it
"increasing customer satisfaction." Others view it as markedly increasing the
addictiveness of cigarettes. [1].
|
READ FOR YOURSELF -- TOBACCO INDUSTRY WORDS [2] |
|
Short Quotes:
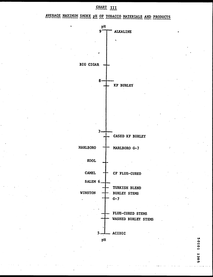
This year the continuing, vigorous sales growth of various competitive cigarette brands, especially Marlboro and Kool,
prompted an intensive study of the physical and chemical properties of those brands as compared with our brands...
In seeking out significant property differences, we gathered available historical and current data on our brands and
competitive brands, and made comparisons. It soon became apparent that in recent years, corresponding to recent
sales performance, the most significant difference between our brands and Philip Morris in Kool has been in
the area of smoke pH.
Our data show that smoke from our brands, and all other significant competitive brands, in recent years has been
consistently and significantly lower (less alkaline) than smoke from Marlboro and to a lesser degree Kool...All evidence
indicates that the relatively high smoke pH (high alkalinity) shown by Marlboro (and other Philip Morris brands) and Kool
is deliberate and controlled. This has raised questions as to (1) the effect of higher smoke pH on nicotine impact and smoke
quality, hence market performance...
In essence, a cigarette is a system for delivery of nicotine to the smoker in
attractive, useful form. At 'normal' smoke pH, at or below 6.0, essentially all of the smoke nicotine is...relatively
slowly absorbed by the smoker. As the smoke pH increases above about 6.0, an increasing proportion of the total smoke
nicotine occurs in "free" form, which is volatile, rapidly absorbed by the smoker, and believed to be instantly
perceived as nicotine "kick".
...Chart XIII suggests that market performance of various brands correlates positively with the total amount of
"free" nicotine, and that all brands surveyed having over about 35 micrograms of 'free' nicotine/cigarette increased
in market share in the period studied...
...There is evidence that other brands which are selling well also have some of these attributes, particularly
increased "free" nicotine impact.
_______________________
[1] Source: Anne Landman, Regional Program Coordinator & Daily Document List Editor,
American Lung Association of Colorado, West Region Office, February 9, 2001.
[2] Discovered by Anne Landman at the RJ Reynolds document litigation site: http://www.rjrtdocs.com, "Implications and Activities Arising from
Correlation of Smoke pH with Nicotine Impact, Other Smoke Qualities and Cigarette Sales," Teague, Claude, RJR (author), Oct. 2, 1973,
Bates No. 500917506 -7534. Note: The R.J. Reynolds site does not support transfer of URLs. To find this document, go to
the RJR site, and enter as "quick search" criteria the phrase 'Implications and Activities" (without question marks).
© Copyright InfoImagination and TobaccoFreedom.org
Scott Goold, Director
|

home
| Attorneys General MSA index
| CCAA
| Issues
| about US
| back
|